Categorie

Scaricatore T3 DS 415 S/G

Caratteristiche
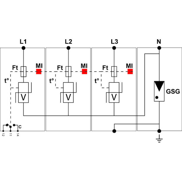
- protezione da sovratensioni tipo 3
- In = 5kA; Imax = 15kA
- scollegamento interno con dispositivo di segnalamento
- moduli ad innesto
- contatto di tele-segnalamento

Categoria di test
T3  
Numero di poli
4  
Contatto di segnalazione
Sì  
Dispersione corrente (Imax)
15 kA  
Tempo di risposta [ta]
0 ns  
Livello di protezione [Up]
0.9 kV  
Sezione nominale del conduttore (min/max)
1.5 - 10.0 mm²
Corrente impulsiva di dispersione nominale (8/20)
5 kA  
Frequenza nominale [fn]
50.0 - 60.0 Hz
Tensione nominale AC
230 V  
Tensione continua AC max.
275 V  
Dispersione max. (8/20) µs [Imax]
15 kA  
Shock combinato [Uoc]
10 kV  
Operativo perdita guasto [Ic]
0 kA  
Corrente sequenziale [IF]
0 kA  
Capacité d'extinction actuelle [Ifi]
Unendlich kA eff  
TOV-tensione L-N [UT]
335 V / 5 sec.  
TOV-tensione N-PE [UT]
1200 V / 300 A / 200ms fest  
Resistenza cortocircuito (Icw)
10 kA  
Segnalazione di guasto
Mechanisch, rot  
Temperatura esteso
-40.0 - 85.0 °C
Grado di protezione
IP20  
fusibile max. (gG)
40 A  
Montaggio su
Hutschiene 35 mm  
Materiale della scatola
 
Segnalazione sul dispositivo
ottico  
Sezione di collegamento contatto di segnalazione.
1.5 mm²  
Capacità di commutazione
250 V / 0,5 A (AC) - 30 V / 2 A (DC)  
Forma della rete
 
Con filtro anti-interferenze
No  
Corrente impulsiva di dispersione nominale (8/20) (L-N)
20 kA  
Corrente impulsiva di dispersione nominale (8/20) (L N-PE)
60 kA  
Con contatto telecomunicazioni
Sì  
Tipo di montaggio
barra cieca 35 mm  
5/Pol  
Classe di prova tipo 3
Sì  
Livello di protezione L-N [Up]
0.9 kV  
Grado di protezione (IP)
IP20  
Dimensione
2 UM  
Norme di prova Germania
 
Norme di prova internazionale
IEC 61643-11  
Norme di prova USA
UL 1449 ed.3  
Norme di prova Europa
EN 61643-11  
Omologazione
VDE, ÖVE und UL  
   
Articolo no. Numéro-E Categoria di test Numero di poli Contatto di segnalazione Dispersione corrente (Imax) Tempo di risposta [ta] Livello di protezione [Up] Sezione nominale del conduttore (min/max) Corrente impulsiva di dispersione nominale (8/20) Frequenza nominale [fn] VPE Quantità
   
Scaricatore 296.045.754 808 408 000 T3 4 15 0 0.9 1.5 - 10.0 5 50.0 - 60.0 1