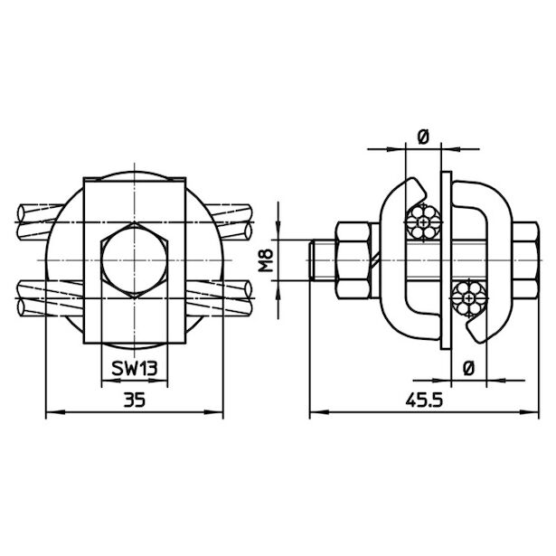
Cross-over clamp KK35
Application
For copper or copper alloyed wire
Characteristics
Torque 25 Nm
Material
Clamping plates CuNiSi
Catenary wire diameter
7 mm
Tightening torque
25 N·m