Categories
Article No. 296.045.714
E-Number 808 406 800
Technical specification
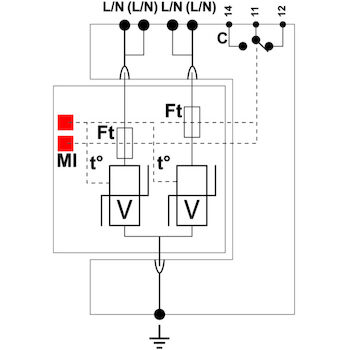
SPD type T3  
Number of poles 2  
Signaling contact Yes  
max. discharge current (Imax) 15 kA  
Discharge current max. [Imax] 30 kA  
Response time [ta] ≤20 ns  
Voltage protection level [Up] 0.9 kV  
Nominal cross section conductor (min/max) 1.5 - 10.0 mm²
Nominal discharge surge current (8/20) 5 kA  
Nominal frequency [fn] 50.0 - 60.0 Hz
Nominal line voltage Un AC 230 V  
Continuous voltage AC max. 250 V  
Discharge current max. (8/20) µs [Imax] 15 kA  
Combined shock [Uoc] 10 kV  
Operating current [Ic] 0 kA  
Follow current [IF] 0 kA  
follow current extinguishing capability [Ifi] unendlich kA eff  
TOV-voltage L-N [UT] 250 V / 5 sec.  
TOV-voltage N-PE [UT] 1200 V / 300 A / 200ms fest  
Short circuit resistance (Icw) 10 kA  
Fault indication Mechanisch, Rot  
Temperature range -40.0 - 85.0 °C
Degree of protection IP20  
Fuse max. (gG) 40 A  
Mounting on Hutschiene 35 mm  
Material housing  
Signaling on the device Optic  
Connection cross section solid / stranded max. 1.5 mm²  
Switching capacity signaling contact 250 V / 0,5 A (AC) - 30 V / 2 A (DC)  
Nominal discharge surge current (8/20) (L-N) 5 kA  
With interference suppressor filter No  
Total discharge current (8/20) (L N-PE) 15 kA  
Mounting method DIN rail (top hat rail) 35 mm  
Category type 3 Yes  
5/Pol  
With remote signalling contact Yes  
Voltage protection level L-N [Up] 1.5 kV  
Degree of protection (IP) IP20  
Construction size 1 modular spacing  
Standards
Test standards Germany  
Test standards International IEC 61643-11  
Test standards USA UL 1449 ed.3  
Test standards Europe EN 61643-11  
Homologation VDE, ÖVE, UL  
Commercial specification
Customs number 85363000  
country of origin NUL  
Logistic specification
VPE Weight 0.126 kg