Catégories

Parafoudre T1+T2 DS 130 RS

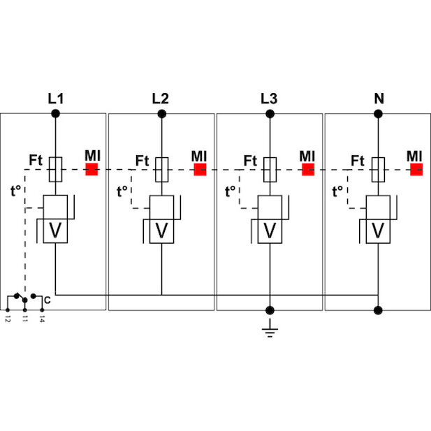
Description
- parafoudre type 1+2
- limp = 12.5kA/pôle (10/350µs)
- tenue optimisée aux TOV
- module débrochable
- télésignalisation

Type de parafoudre
T1 / T2  
Courant de foudre [Iimp]_(10/350)
12.5 kA  
Courant de décharge (Imax)
50 kA  
Temps de réponse [ta]
20 ns  
Niveau de protection max. (à In) [Up]
1.3 kV  
Section nominale de conducteur (min/max)
2.5 - 25.0 mm²
Télésignalisation
Oui  
Courant de décharge nominal (8/20)
20 kA  
fréquence nom. [fn]
50.0 - 60.0 Hz
Tensione nominale Un AC
230 V  
Tension de régime perm. AC max.
255 V  
Courant de décharge max. (8/20) µs [Imax]
50 kA  
Courant de suite [IF]
0 kA  
Capacité d'extinction du courant de suite [Ifi]
unendlich kA eff  
Surtension temporaire TOV L-N [UT]
440 Vac  
Tenue au courant de court-circuit (Icw)
25 kA  
Indicateur de défault
Mechanisch, Rot  
Température étendue
-40.0 - 85.0 °C
Classe de protection
IP 20  
Mise hors service de sécutrité (gG)
160 A  
Montage sur
Hutschiene 35 mm  
Matériau du boîtier/corps
 
Signalisation sur le dispositif
optique  
Raccordement télésignalisation
1.5 mm²  
Protection coordonnée sur le terminal
Oui  
Capacité de coupure max.
250 V / 0,5 A (AC) - 30 V / 2 A (DC)  
Matière du boîtier
 
Montage
 
Télésignalisation
Oui  
Indice de protection (IP)
IP20  
Niveau de protection L-N [Up]
1.3 kV  
Courant de décharge total (8/20) (L N-PE)
50 kA  
Normes d'essai Allemagne
 
Normes d'essai international
IEC 61643-11  
Normes d'essai USA
UL 1449 ed.3  
Normes d'essai Europe
EN 61643-11  
Homologation
VDE, ÖVE und UL  
   
Ref. article Nombre-E Type de parafoudre Nombre de pôles Courant de foudre [Iimp]_(10/350) Courant de décharge (Imax) Temps de réponse  [ta] Niveau de protection max. (à In) [Up] Section nominale de conducteur (min/max) Télésignalisation Courant de décharge nominal (8/20) fréquence nom. [fn] VPE Quantité
   
Parafoudre 296.045.571 808 485 000 T1 / T2 1 12.5 50 0 1.3 0.0 - 42.0 Oui 20 50.0 - 60.0 1
Parafoudre 296.045.572 808 486 000 T1 / T2 2 12.5 50 0 1.3 0.0 - 42.0 Oui 20 50.0 - 60.0 1
Parafoudre 296.045.573 808 487 000 T1 / T2 3 12.5 50 0 1.3 0.0 - 42.0 Oui 20 50.0 - 60.0 1
Parafoudre 296.045.574 808 488 000 T1 / T2 4 12.5 50 0 1.3 0.0 - 42.0 Oui 20 50.0 - 60.0 1
Parafoudre 296.045.575 808 488 010 T1 / T2 3+1 12.5 50 0 1.3 0.0 - 42.0 Oui 20 50.0 - 60.0 1
Boîte isolée 290.440.021 808 490 230 T1 / T2 12.5 50 20 1.3 2.5 - 25.0 Oui 20 50.0 - 60.0 1
Module de remplaçement

Module de remplaçement 296.045.570

Plus