Catégories

Parasurtension T2 DS 440 S/G

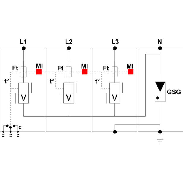
Description
- parafoudre type 2
- In = 20kA; Imax = 40kA
- déconnexion interne avec inicateur
- module débrochable
- télésignalisation

Type de parafoudre
T2  
Nombre de pôles
3+1  
Courant de décharge (Imax)
40 kA  
Courant de décharge max. [Imax]
100 kA  
Temps de réponse [ta]
0 ns  
Niveau de protection max. (à In) [Up]
1.25 kV  
Section nominale de conducteur (min/max)
1.5 - 10.0 mm²
Courant de décharge nominal (8/20)
80 kA  
Télésignalisation
Oui  
fréquence nom. [fn]
50.0 - 60.0 Hz
Tensione nominale Un AC
230 V  
Tension de régime perm. AC max.
275 V  
Courant de décharge max. (8/20) µs [Imax]
40 kA  
Niveau de protection max. (à 5 kA)
0.9 kV  
Courant de suite [IF]
0 kA  
Capacité d'extinction du courant de suite [Ifi]
Unendlich kA eff  
Surtension temporaire TOV L-N [UT]
335 V / 5 sec.  
Surtension temporaire TOV N-PE [UT]
1200 V / 300A / 200ms fest  
Tenue au courant de court-circuit (Icw)
10 kA  
Indicateur de défault
Meschanisch, Rot  
Température étendue
-40.0 - 85.0 °C
Classe de protection
IP20  
Mise hors service de sécutrité (gG)
125 A  
Montage sur
Hutschiene 35 mm  
Matériau du boîtier/corps
 
Signalisation sur le dispositif
optique  
Raccordement télésignalisation
1.5 mm²  
Capacité de coupure max.
250 V / 0,5 A (AC) - 30 V / 2 A (DC)  
Forme de réseau
 
Taille
2 TE (décharges partielles)  
Fusible auxiliaire intégré
Non  
20/Pol  
Exécution des pôles
4  
Avec contact de télécommunication
Oui  
Montage
barre borgne 35 mm  
Classe d'essai type 2
Oui  
Indice de protection (IP)
IP20  
Normes d'essai Allemagne
Parafoudre type 1 + 2 + 3  
Normes d'essai international
UL 1449 ed.3  
Normes d'essai USA
IEC 61643-11  
Normes d'essai Europe
EN 61643-11  
Homologation
VDE, ÖVE, UL  
   
Ref. article Nombre-E Type de parafoudre Nombre de pôles Courant de décharge (Imax) Courant de décharge max. [Imax] Temps de réponse  [ta] Niveau de protection max. (à In) [Up] Section nominale de conducteur (min/max) Courant de décharge nominal (8/20) Télésignalisation fréquence nom. [fn] VPE Quantité
   
Protection contre la surtension 296.061.512 808 418 000 T2 3+1 40 100 0 1.25 1.5 - 10.0 80 Oui 50.0 - 60.0 1